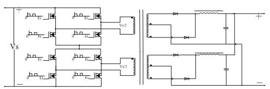
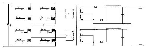
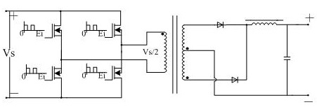
Designed high power welding machine and charging station of the electric vehicle, the DMR95 ferrite material gives the full-bridge topological transformer extraordinary working properties under 50 kHz - 200 kHz with the power between 5 kW - 40 kW.
Comparison of power loss between DMR95 and DMR40, DMR44
| Power | Input Voltage | Output Voltage | Frequency | Temperature | Weight |
| 20kW | 430Vdc-650Vdc | 60 Vdc | 100 kHz | <50 ℃ Aluminum plate cooling |
3000g |
| 5 kW | 310 Vdc | 60 Vdc | 50 kHz - 200 kHz | 40 - 60°C | 360g |
| 5 kW | 310 Vdc | 50 Vdc | 100 kHz - 200 kHz | 40 - 60°C | 360g |
| 5 kW | 310 Vdc | 28 Vdc | 200 kHz | 40 - 60°C | 360g |
| 10 kW | 310 Vdc | 60 Vdc | 100 kHz - 200 kHz | 40 - 60°C | 720g |
| 10 kW | 310 Vdc | 50 Vdc | 100 kHz - 200 kHz | 40 - 60°C | 720g |
| 10 kW | 310 Vdc | 28 Vdc | 100 kHz - 200 kHz | 40 - 60°C | 720g |

Related Products: Planar Transformer