With many years of experience of full compliance with military data bus standards of MIL-STD-1553 (US) and GJB289A-97 (CHINA), the insulating and coupling transforms guarantee the best electrical performance of data transmission in extreme environments. The technical consultation and customized engineering service provide the turns ratio configurations, component isolation, and common-mode rejection ratio characteristics to meet the requirements of the standards.
The widely equipped products in aviation, aerospace, and military applications are the proofs of extraordinary quality, stable supply capability, and certified QS system.
Features
- Available products in 1 Mhz- and 4 Mhz-Series
- Complete product line of customized and military standard units
- Compliance with MIL-STD-1553A and B, MacAir A-5690, A-5232, A-4905, and GJB289A-97(CHINA)
- Epoxy protected, Hermetically Sealed
- -55°C to +130°C operating temperature range
- Built and tested according to MIL-PRF21038 (US), MIL-STD-202 and GJB1521-92(CHINA)
- Cross-reference with many competitors (contact us for more details)
Selection of Products
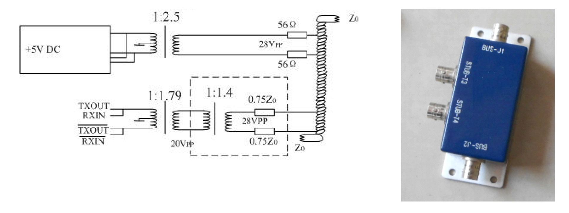
According to the standards, the user shall consider the length of data bus connection, either less than 1 inch or between 1 to 20 inch, so that the type of topology can be, respectively, direct coupling with an insulating transformer or a combination of an insulating transform + coupling transformer.
Packaging Types
