
- Working Temperature: -40°C ~ +105°C for industry
- Working Frequency: 50 kHz ~ 2500 kHz
- Power: 10W
- Voltage: 12 V or 15 V
- Packaging size: 25mmx20mm max
- Application: switching power supply
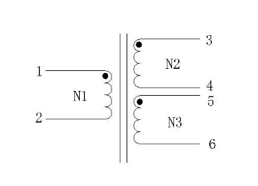
| Parameter | Measured Terminals | Value | Conditions |
| Inductance | L1-2 | ≥400µH | 10 kHz, 1V, 25±10°C |
| Leakage Inductance | Le1-2 | ≤20µH | 10 kHz, 1V, 25±10°C |
| DC Resistance | R1-2 | ≤60mΩ | 1V, 25±10°C |